-
-

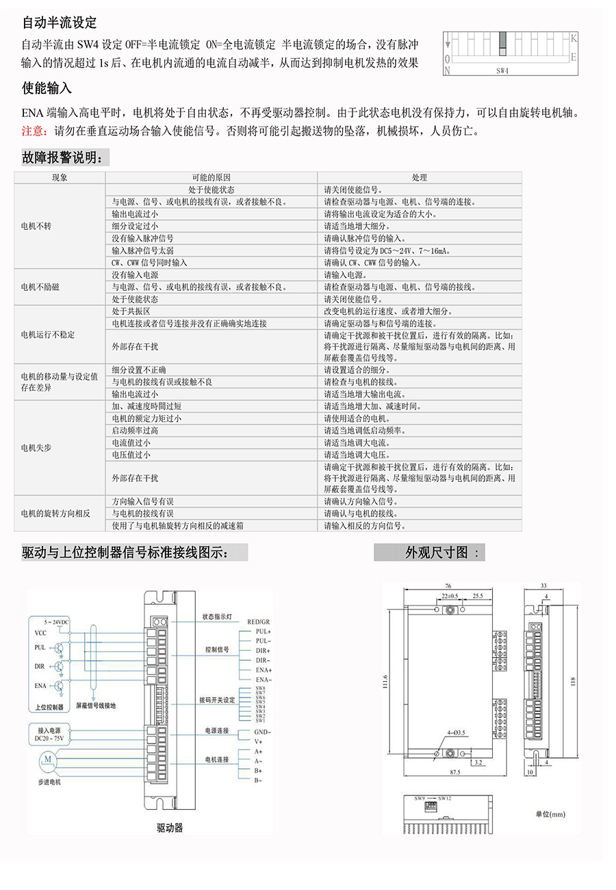
产品名称:SD50 两相步进电机驱动器
所属分类:步进电机驱动器
产品概述:SD50 两相步进电机驱动器是一款有极高可靠性,适用于高转速场合的细分 步进电机驱动器,得益于其 的过流和过压保护拓补电路,使其即使在 极高转速及适度过压情况下,仍可启动自保护以确保不被损坏。SD50 步进 电机驱动器适配尺寸为 57、60 系列的各类 2 相或 4 相混合式步进电机。
全国 服务热线:400-081-8880


-
上一张:SD70 步进电机驱动器
下一张:SD42 两相步进电机驱动器

-
热销产品
hot products



